Introduction
In my years of working with transformers, I’ve realized how crucial maintenance is to ensure smooth performance across many domains. Regular oil tests and equipment testing are essential, especially when it comes to testing the condition of transformer oil, cables, and switches. One effective method that I’ve often used is the Tan Delta Test, which gives a clear description of the dielectric properties and overall electrical condition of the system.
This test helps in the analysis of transformer conditioning, especially when dissolved gas testing is done alongside it. From circuit breakers to equipment, each component plays a role in maintaining the principle of power reliability, and the Tan Delta Test plays a big part in that. This article explains the different modes, applications, and methods that enhance concentration on preventive maintenance, making it a must-have tool across transformers and other equipment.
What is the Tan Delta test of Transformer?
Testing insulating oil is crucial to maintaining reliable equipment. The Tan Delta method is performed to check the quality level of the oil, ensuring it meets operational standards. If the test results are good, the oil remains in service, but if issues arise, a change or replacement is needed.
This testing methodology involves measuring dielectric dissipation, loss angle, and power factor at different temperature levels. The results from the tests are compared, and consideration is given to the condition of the coil. Any deviations in the obtained values indicate possible insulation breakdown, guiding necessary actions.
Read more: How to test a capacitor
Importance of the Tan Delta Test
Ensuring secure and reliable operation of a transformer requires monitoring its insulation behavior. The tan delta test helps in the calculation of capacitance values and the dissipation factor, giving a clear result on the condition of bushings and windings. Any variation in these values can indicate early breakdowns or insulation deprivation, preventing further issues.
With this testing method, changes in energy levels and heat loss can be identified before major faults occur. Aging factors in equipment cause automated movement in windings, leading to performance decline. By measuring frequencies at the required level, corrective action can be implemented for the enhancement of performance.
Read more: Megger Test
Principle of Tan Delta Test
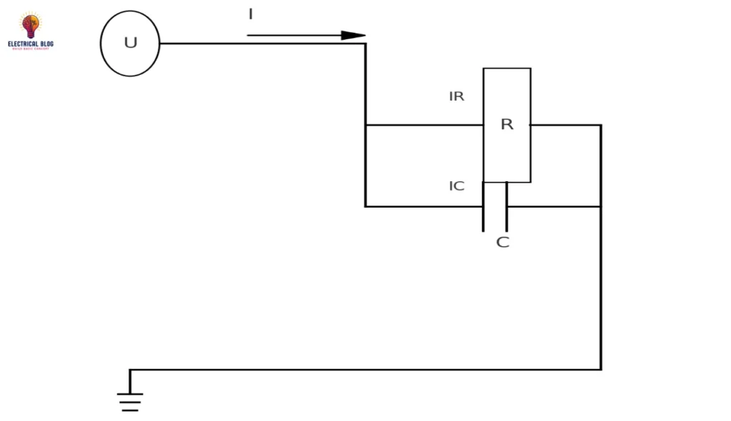
The tan delta test works on the principle that a perfect insulator behaves like a capacitor, where the current precedes the voltage by 90 degrees. In an ideal insulating material, there are no impurities, moisture, or dirt added, so the electric current flows through a capacitive path only. But with aging, the properties of the material degrade, allowing leakage and resistive elements to form.

In cases where dirt or moisture enters the component, a conductive path is created. As a result, leakage current starts flowing between line and earth, affecting insulation quality. This aspect of behavior is known through the proportion of resistive and capacitive components in the current.
The tanδ or dissipation factor is expressed as a ratio of IR (resistive current) to IC (capacitive current).

tanδ = IR/IC
The diagram represents this using a vector approach, where the x-axis is for voltage and IR, and the y-axis is for IC. The whole circuit’s behavior is shown in the diagram, offering a general idea of the insulation condition.
From my practical work, I’ve often seen how minimal changes in insulation lead to major risks. This term, factor, and test help identify totally degraded material, making it easier to take action early. It’s pointless to claim good insulation without this method; the connection and system levels must always be assessed for signs of dissipation.
Tan Delta Testing of Transformer Procedure
The Tan Delta testing process is a step-by-step method used to evaluate insulation health in transformers, windings, bushings, or cables. The test is conducted by applying voltage at different levels, and the device is connected to the equipment being tested. As an engineer, I’ve found this procedure extremely effective in getting accurate results with a minimal margin of error.
The controller sets the frequency and amplitude, while the analyzer measures current, resistance, conductivity, and reactance. These values are recorded, compared, and analyzed against acceptable standards. When dissipation or loss angle increases beyond the required limit, it signals insulation constraint and practically a higher risk for the system.
Connect the device properly to the transformer, winding, or bushings for safe testing.
Apply the required voltage and adjust the amplitude and frequency using the controller.
Measure the tan delta, loss angle, and current through the capacitive and resistive components.
Calculate and compare the values with the expected results and industry-recommended limits.
If any amount of dissipation increases beyond acceptable levels, take the necessary action earlier to avoid damage.
Predicting the test results
During tan delta testing, we use different approaches to analyze the insulation behavior. One way is to evaluate past test results and check for worsening caused by the aging effect. Another scenario is directly checking the tan δ value without assessing older data. Both ways help to understand insulation conditions and make an appropriate decision about the equipment.
If insulation results are accurate, the loss factor values remain steady across all test voltages or voltage values. But if the tanδ value is increased to a higher level, it shows high resistive current in the element. These outcomes are matched with other tested insulators to decide whether to keep or substitute them. The result, values, and effect help us in analyzing the insulation method and the overall test performance.
Read more: Three Phase Energy Meter
What are the different modes of the tan delta test?
GST Guard
In the UST method, the current leakage from red leads or blue leads is calculated, while grounded edges are excluded from the calculation. This method smartly eliminates the current flow through the ground lead, as it gets bypassed to the AC source. When the UST mode is applied, the device only measures current from active terminals, and the amount is calculated precisely. The ground acts as a guard, helping to get a more accurate current measurement. From my fieldwork, this approach ensures better insulation checks using the correct method.
UST Mode
In UST Mode, the calculation of insulation is done between ungrounded leads of the equipment. The individual portion of isolation must be separated to analyze it properly without any insulation connected. UST mode in tan delta helps in identifying weak spots in a more focused and precise manner.
GST Mode
In the final mode of operation, the test apparatus measures leakage pathways using both UST and GST guards. The current, capacitance values, and loss in watts are calculated and must be equal to the GST test parameters. This ensures the complete behavior of the test is properly evaluated.
Conclusion
The Tan Delta Test is a vital diagnostic tool used to assess the insulation condition in transformers and other electrical equipment. By analyzing capacitance values, loss angle, dissipation factor, and leakage current, engineers can predict insulation aging, contamination, and breakdown risks at various voltage levels. Different testing modes such as GST, UST, and GST Guard help in precisely calculating insulation performance and making timely maintenance decisions.
This process uses step-by-step procedures and accurate tests. It boosts the reliability, efficiency, and safety of the entire electrical system. The Tan Delta Test is key for checking insulation health. It uses past test results, monitors current flow, and analyzes vector diagrams. This test helps prevent expensive equipment failures.


